

* 아래 썸네일을 누르시면 표를 크게 보실 수 있습니다.(한번 더 누르시면 원상태로 작아집니다.)
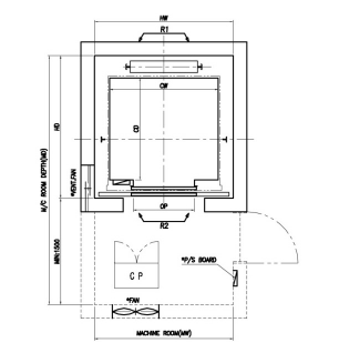
| 정격 속도 | 정격 인원 | 정격 하중 | 출입구 폭 | 카 내부치수 | 최소 승강로 치수 | 최소 기계실 치수 | 기계대 반력 | PIT반력 | |||||||||
|---|---|---|---|---|---|---|---|---|---|---|---|---|---|---|---|---|---|
| 단독(1대) | 병렬(2대) | 단독(1대) | 병렬(2대) | ||||||||||||||
| [m/min] | [kg] | [OP] | CW | CD | HW | HD | HW | HD | MW | MD | MW | MD | R1 | R2 | Rc | Rw | |
| 60 ~ 150 | 6 | 450 | 800 | 1400 | 850 | 1800 | 1450 | 3750 | 1450 | 2100 | 2950 | 3750 | 2950 | 3618 | 2143 | 5789 | 4799 |
| 8 | 550 | 800 | 1400 | 1030 | 1800 | 1650 | 3750 | 1650 | 2100 | 3150 | 3550 | 3150 | 3928 | 2253 | 6309 | 5099 | |
| 9 | 600 | 800 | 1400 | 1100 | 1800 | 1700 | 3750 | 1700 | 2100 | 3200 | 3550 | 3200 | 4008 | 2363 | 6549 | 5229 | |
| 10 | 700 | 800 | 1400 | 1250 | 1800 | 1850 | 3750 | 1850 | 2100 | 3350 | 3550 | 3350 | 4315 | 2524 | 7109 | 5569 | |
| 11 | 750 | 800 | 1400 | 1350 | 1800 | 1950 | 3750 | 1950 | 2100 | 3450 | 3550 | 3450 | 4692 | 2688 | 7700 | 6050 | |
| 13 | 900 | 900 | 1600 | 1350 | 2000 | 1950 | 4150 | 1950 | 2300 | 3450 | 4150 | 3450 | 5113 | 3058 | 8500 | 6520 | |
| 15 | 1000 | 900 | 1600 | 1500 | 2000 | 2100 | 4150 | 2100 | 2300 | 3600 | 4150 | 3600 | 5468 | 3265 | 9328 | 7128 | |
| 17 | 1150 | 1000 | 1800 | 1500 | 2250 | 2100 | 4650 | 2100 | 2550 | 3600 | 4650 | 3600 | 6736 | 3956 | 11436 | 8906 | |
| 20 | 1350 | 1000 | 1800 | 1700 | 2350 | 2400 | 4850 | 2400 | 2650 | 3900 | 4850 | 3900 | 8687 | 5361 | 14523 | 11553 | |
| 24 | 1600 | 1100 | 2000 | 1750 | 2550 | 2450 | 5250 | 2450 | 2850 | 3950 | 5250 | 3950 | 9074 | 6074 | 16473 | 12953 | |
주_ 1.상기 승강로 치수는 최소 치수이므로 건축 시공 오차 및 기울기 고려하여 승강로 치수 반영 바랍니다.
2. 방화도어 적용 시에는 승강로 폭(HW) 치수를 상기 HW+100mm 하시길 바랍니다.
3. 관통형 적용시에는 당사로 문의 바랍니다.
4. 상기 승강로 치수의 출입구 열림방향의 기준은 다음과 같습니다. - 승객용 : 중앙개폐식(2P-CO)
5. 병렬 승강로인 경우 : 중간부 P:t + 최하층 sill 에서 2800까지 철근 콘크리트 타설 해야합니다.

| 속도 [m/min] |
최소 오버헤드 (OH) |
최소 피트 [PIT] |
최소 기계실 높이 |
|---|---|---|---|
| 60 | 4600 | 1500 | 2200 |
| 90 | 4800 | 1800 | 2400 |
| 105 | 5000 | 2100 | 2400 |
| 120 | 5400 | 2100 | 2700 |
| 150 | 5700 | 2400 | 2700 |


* 아래 썸네일을 누르시면 표를 크게 보실 수 있습니다.(한번 더 누르시면 원상태로 작아집니다.)
| 정격 속도 | 정격 인원 | 정격 하중 | 출입구 폭 | 카 내부치수 | 최소 승강로 치수 | 최소 기계실 치수 | 기계대 반력 | PIT반력 | |||||||||
|---|---|---|---|---|---|---|---|---|---|---|---|---|---|---|---|---|---|
| 단독(1대) | 병렬(2대) | 단독(1대) | 병렬(2대) | ||||||||||||||
| [m/min] | [kg] | [OP] | CW | CD | HW | HD | HW | HD | MW | MD | MW | MD | R1 | R2 | Rc | Rw | |
| 60 ~ 105 | 20 | 1350 | 1100 | 1300 | 2300 | 2250 | 2800 | 2250 | 2800 | 2250 | 2800 | 4700 | 2800 | 3956 | 5765 | 12776 | 9806 |
| 24 | 1600 | 1100 | 1500 | 2300 | 2450 | 2800 | 2450 | 2800 | 2450 | 2800 | 5100 | 2800 | 4210 | 5890 | 14096 | 15076 | |
주_ 1.상기 승강로 치수는 최소 치수이므로 건축 시공 오차 및 기울기 고려하여 승강로 치수 반영 바랍니다.
2. 방화도어 적용 시에는 승강로 폭(HW) 치수를 상기 HW+100mm 하시길 바랍니다.
3. 관통형 적용시에는 당사로 문의 바랍니다.
4. 상기 승강로 치수의 출입구 열림방향의 기준은 다음과 같습니다. - 병원용 : 좌우개폐식(2P-2S)



* 아래 썸네일을 누르시면 표를 크게 보실 수 있습니다.(한번 더 누르시면 원상태로 작아집니다.)
| 정격 속도 | 정격 인원 | 정격 하중 | 출입구 폭 | 열림 방향 | 카 내부치수 | 최소 승강로 치수 | 기계대 반력 | PIT반력 | ||||||
|---|---|---|---|---|---|---|---|---|---|---|---|---|---|---|
| [m/min] | [kg] | [EW] | CW | CD | HW | HD | R1 | R2 | R3 | R4 | Rc | Rw | ||
| 60 ~ 105 | ||||||||||||||
| 8 | 550 | 800 | 2P-CO | 1300 | 1100 | 2100 | 1750 | 1683 | 3184 | 1298 | 354 | 6609 | 5399 | |
| 9 | 600 | 800 | 2P-CO | 1300 | 1180 | 2100 | 1800 | 1707 | 328 | 1317 | 395 | 6849 | 5529 | |
| 10 | 700 | 800 | 2P-CO | 1300 | 1300 | 2100 | 1850 | 1843 | 3699 | 1440 | 483 | 7691 | 6151 | |
| 11 | 750 | 800 | 2P-CO | 1300 | 1400 | 2100 | 1900 | 1877 | 3825 | 1463 | 530 | 7971 | 6321 | |
| 13 | 900 | 900 | 2P-CO | 1500 | 1400 | 2300 | 1900 | 2024 | 4128 | 1610 | 583 | 8771 | 6791 | |
| 13 | 950 | 900 | 2P-CO | 1600 | 1350 | 2400 | 1850 | 2011 | 4241 | 1655 | 588 | 8971 | 6881 | |
| 15 | 1000 | 900 | 2P-CO | 1600 | 1450 | 2400 | 1900 | 2052 | 4390 | 1681 | 642 | 9291 | 7091 | |
| 17 | 1150 | 1000 | 2P-CO | 1800 | 1450 | 2600 | 1900 | 2420 | 5175 | 1995 | 762 | 11026 | 8426 | |
주_ 1.상기 승강로 치수는 최소 치수이므로 건축 시공 오차 및 기울기 고려하여 승강로 치수 반영 바랍니다.
2. 표준규격 외(예, 방화도어, 전망용)는 당사로 문의 바랍니다.
3. 장애인용일 경우는 13인승(950kg) 이상만 가능합니다.
4. 제어반층(최상층)에 방화도어를 적용하고자 할 경우는 제어반을 방화구역 이외로 배치하여야 합니다. (단, 권상기로부터 10m 이내일 것)
5. 관통형 적용 시에는 당사로 문의 바랍니다.(15인승부터 가능. 카 내부 치수, 승강로 치수 변경됩니다.)
6. 2대 병렬 승강로 일 경우는 PIT 바닥에서 승강로 천정까지 별도의 칸막이 공사를 건축에서 하여야 합니다.
| 속도 [m/min] | 최소 피트 [PIT] | 최소 오버헤드 (min, OH) | 표준권장 오버헤드 (표준 OH) | |
|---|---|---|---|---|
| 표준승강로 치수일 경우 | 철골구조 (주2-3) 참조 | |||
| 60 | 1550 | 3800 | 3800 + 300 → 4100 | 4200 |
| 90 | 1650 | 4000 | 4000 + 300 → 4300 | 4400 |
| 105 | 1750 | 4100 | 4100 + 300 → 4300 | 4500 |
주_ 1.상기 치수는 건물바닥 마감선 기준에서의 치수이며 피트(PIT)는 방수마감 이후의 치수이므로 시공오차 반영 바랍니다.
2. 상기 오버헤드치수는 아래 기준에서 적용되는 치수이며 그 외는 당사로 문의 바랍니다.
1) 키 높이 표준(2300mm), 출입구 높이 표준(2100mm)기준 일때
2) 건물측 바닥마감에서 승강로 천정부까지 치수업(돌출보 또는 인양빔이 있는 경우는 그 아래까지 치수임)
3) 상기 최소오버헤드 적용시에는 건물 기울기 및 시공오차가 ±20 이내에 만족되어야 합니다.
4) 상기 권장오버헤드 치수는 건물기울기, 시공오차 등으로 인하여 건물측에서 승강기 법규 만족에 문제가 없도록 고려한 권장치수 입니다. (예, 승강로 치수가 표준제시 치수보다 커서 카 외벽에서 승강로 벽체까지 850mm를 초과할 경우, 철골구조일 때 등)


* 아래 썸네일을 누르시면 표를 크게 보실 수 있습니다.(한번 더 누르시면 원상태로 작아집니다.)
| 정격 속도 | 정격 인원 | 정격 하중 | 출입구 폭 | 열림 방향 | 카 내부치수 | 최소 승강로 치수 | 기계대 반력 | PIT반력 | ||||||
|---|---|---|---|---|---|---|---|---|---|---|---|---|---|---|
| [m/min] | [kg] | [EW] | CW | CD | HW | HD | R1 | R2 | R3 | R4 | Rc | Rw | ||
| 60 ~ 105 | ||||||||||||||
| 20 | 1350 | 1000 | 2P-CO | 1800 | 1650 | 2750 | 2400 | 3500 | 6800 | 2500 | 1100 | 9400 | 6800 | |
| 24 | 1600 | 1100 | 2P-CO | 2000 | 1700 | 2900 | 2450 | 4700 | 7200 | 3000 | 1200 | 11000 | 7500 | |
주_ 1.상기 승강로 치수는 최소 치수이므로 건축 시공 오차 및 기울기 고려하여 승강로 치수 반영 바랍니다.
2. 표준규격 외(예, 방화도어, 전망용)는 당사로 문의 바랍니다.
3. 장애인용일 경우는 13인승(950kg) 이상만 가능합니다.
4. 제어반층(최상층)에 방화도어를 적용하고자 할 경우는 제어반을 방화구역 이외로 배치하여야 합니다. (단, 권상기로부터 10m 이내일 것)
5. 관통형 적용 시에는 당사로 문의 바랍니다.(15인승부터 가능. 카 내부 치수, 승강로 치수 변경됩니다.)
6. 2대 병렬 승강로 일 경우는 PIT 바닥에서 승강로 천정까지 별도의 칸막이 공사를 건축에서 하여야 합니다.
| 속도 [m/min] | 최소 피트 [PIT] | 최소 오버헤드 (min, OH) | 표준권장 오버헤드 (표준 OH) | |
|---|---|---|---|---|
| 표준승강로 치수일 경우 | 철골구조 (주2-3) 참조 | |||
| 60 | 1550 | 3800 | 3800 + 300 → 4100 | 4200 |
| 90 | 1650 | 4000 | 4000 + 300 → 4300 | 4400 |
| 105 | 1750 | 4100 | 4100 + 300 → 4300 | 4500 |
주_ 1.상기 치수는 건물바닥 마감선 기준에서의 치수이며 피트(PIT)는 방수마감 이후의 치수이므로 시공오차 반영 바랍니다.
2. 상기 오버헤드치수는 아래 기준에서 적용되는 치수이며 그 외는 당사로 문의 바랍니다.
1) 키 높이 표준(2300mm), 출입구 높이 표준(2100mm)기준 일때
2) 건물측 바닥마감에서 승강로 천정부까지 치수업(돌출보 또는 인양빔이 있는 경우는 그 아래까지 치수임)
3) 상기 최소오버헤드 적용시에는 건물 기울기 및 시공오차가 ±20 이내에 만족되어야 합니다.
4) 상기 권장오버헤드 치수는 건물기울기, 시공오차 등으로 인하여 건물측에서 승강기 법규 만족에 문제가 없도록 고려한 권장치수 입니다. (예, 승강로 치수가 표준제시 치수보다 커서 카 외벽에서 승강로 벽체까지 850mm를 초과할 경우, 철골구조일 때 등)